Скоба усиленная Green Pin G-6038

Производитель:

Материал: скоба и винт изготовлены из легированной стали, Класс 8, с закалкой и отпуском.

Запас прочности: MBL равен 5 x WLL.

Конечная обработка:
горячая гальванизация (цинкование).

Сертификаты: без предварительного запроса изделие сопровождается Рабочим Сертификатом, Сертификатом на материал из которого изготовлено изделие, Тест-сертификатом производителя и/или Декларацией Соответствия ЕС.

Замечание: +5% допустимые отклонения при ковке в ширину и длину изделия.

  • Скоба усиленная Green Pin G-6038 - Скобы
  • Скоба усиленная Green Pin G-6038 - Скобы
  • Скоба усиленная Green Pin G-6038 - Скобы

Производитель:

Материал: скоба и винт изготовлены из легированной стали, Класс 8, с закалкой и отпуском.

Запас прочности: MBL равен 5 x WLL.

Конечная обработка:
горячая гальванизация (цинкование).

Сертификаты: без предварительного запроса изделие сопровождается Рабочим Сертификатом, Сертификатом на материал из которого изготовлено изделие, Тест-сертификатом производителя и/или Декларацией Соответствия ЕС.

Замечание: +5% допустимые отклонения при ковке в ширину и длину изделия.

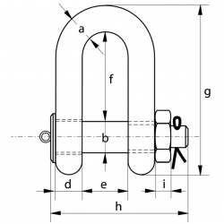
Предел. рабочая нагрузка
Диаметр скобы
Диаметр болта
Диаметр отверстия
Ширина отверстия
Ширина внутренняя
Длина внутренняя
Длина
Длина болта
Толщина гайки
Вес
 
т
a
мм
b
мм
c
мм
d
мм
e
мм
f
мм
g
мм
h
мм
i
мм
 
кг
120
95
95
208
95
147
274
521
440
50
110



Другие товары в этой категории: