Материал: скоба и винт изготовлены из легированной стали, Класс 8, с закалкой и отпуском
Запас прочности: MBL равен 6 x WLL
Конечная обработка: горячая гальванизация (цинкование)
Температурный диапазон: от -20 °C до +200 °C
Сертификаты: без предварительного запроса изделие сопровождается Рабочим сертификатом, Сертификатом на материал из которого изготовлено изделие
Замечание: использовать только для буксировки!
Материал: скоба и винт изготовлены из легированной стали, Класс 8, с закалкой и отпуском
Запас прочности: MBL равен 6 x WLL
Конечная обработка: горячая гальванизация (цинкование)
Температурный диапазон: от -20 °C до +200 °C
Сертификаты: без предварительного запроса изделие сопровождается Рабочим сертификатом, Сертификатом на материал из которого изготовлено изделие
Замечание: использовать только для буксировки!
| Предел. рабочая нагрузка |
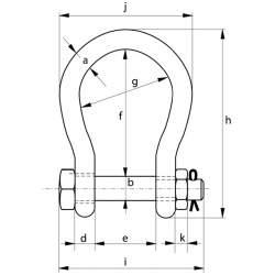
Диам. изд.
|
Диам. болта
|
Диам. отвер.
|
Ширина отвер.
|
Ширина внутр.
|
Длина внутр.
|
Ширина скобы
|
Длина
|
Длина болта
|
Ширина
|
Толщина гайки
|
Вес
|
|
т
|
a
мм
|
b
мм
|
c
мм
|
d
мм
|
e
мм
|
f
мм
|
g
мм
|
h
мм
|
i
мм
|
j
мм
|
k
мм
|
кг
|
| 4.75 | 22 | 25 | 52 | 22 | 63 | 112 | 88 | 173 | 157 | 132 | 23 | 2.08 |
| 6.5 | 25 | 28 | 59 | 25 | 75 | 135 | 105 | 204 | 182 | 155 | 25 | 3.14 |
| 8.5 | 28 | 32 | 66 | 28 | 82 | 148 | 115 | 225 | 201 | 171 | 28 | 4.36 |
| 9.5 | 32 | 35 | 72 | 32 | 90 | 162 | 126 | 248 | 217 | 190 | 31 | 5.95 |
| 12 | 35 | 38 | 79 | 35 | 100 | 180 | 140 | 274 | 240 | 210 | 34 | 7.87 |
| 16 | 38 | 42 | 89 | 38 | 106 | 216 | 159 | 319 | 248 | 235 | 19 | 12.5 |
| 25 | 45 | 50 | 104 | 45 | 127 | 248 | 175 | 370 | 296 | 265 | 24 | 18 |
| 30 |
50
|
57
|
118
|
50
|
146
|
273
|
207
|
411
|
338
|
307
|
27
|
25
|
| 55 |
65
|
70
|
145
|
65
|
165
|
314
|
213
|
487
|
389
|
343
|
33
|
48
|
| 75 |
75
|
83
|
166
|
75
|
184
|
330
|
254
|
530
|
432
|
404
|
40
|
70
|