Материал: скоба и винт изготовлены из высокопрочной стали, Класс 6, с закалкой и отпуском.
Запас прочности: MBL равен 6 x WLL
Стандарт: EN 13889 и согласно требованиям US Fed. Spec. RR-C-271 Type IVA Class 2, Grade A
Конечная обработка: горячая гальванизация (цинкование)
Температурный диапазон: от -20 °C до +200 °C
Сертификаты: без предварительного запроса изделие сопровождается Рабочим Сертификатом, Сертификатом на материал из которого изготовлено изделие, Тест-сертификатом производителя и/или Декларацией Соответствия ЕС.
Материал: скоба и винт изготовлены из высокопрочной стали, Класс 6, с закалкой и отпуском.
Запас прочности: MBL равен 6 x WLL
Стандарт: EN 13889 и согласно требованиям US Fed. Spec. RR-C-271 Type IVA Class 2, Grade A
Конечная обработка: горячая гальванизация (цинкование)
Температурный диапазон: от -20 °C до +200 °C
Сертификаты: без предварительного запроса изделие сопровождается Рабочим Сертификатом, Сертификатом на материал из которого изготовлено изделие, Тест-сертификатом производителя и/или Декларацией Соответствия ЕС.
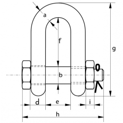
|
Предел. рабочая нагрузка
|
Диаметр скобы
|
Диаметр болта
|
Диаметр отвер.
|
Ширина отвер.
|
Ширина внутр.
|
Длина внутр.
|
Длина
|
Длина болта
|
Толщина гайки
|
Вес
|
|
тн
|
а
мм
|
b
мм
|
с
мм
|
d
мм
|
е
мм
|
f
мм
|
g
мм
|
h
мм
|
i
мм
|
кг
|
|
2
|
13.5
|
16
|
34
|
13.5
|
22
|
43
|
81
|
82
|
13
|
0.39
|
|
3.25
|
16
|
19
|
40
|
16
|
27
|
51
|
97
|
98
|
17
|
0.67
|
|
4.75
|
19
|
22
|
47
|
19
|
31
|
59
|
112
|
114
|
19
|
1.08
|
|
6.5
|
22
|
25
|
53
|
22
|
36
|
73
|
134
|
130
|
22
|
1.66
|
|
8.5
|
25
|
28
|
60
|
25
|
43
|
85
|
154
|
150
|
25
|
2.46
|
|
9.5
|
28
|
32
|
67
|
28
|
47
|
90
|
167
|
166
|
27
|
3.4
|
|
12
|
32
|
35
|
74
|
32
|
51
|
94
|
180
|
178
|
30
|
4.51
|
|
13.5
|
35
|
38
|
80
|
35
|
57
|
115
|
209
|
197
|
33
|
6.1
|
|
17
|
38
|
42
|
89
|
38
|
60
|
127
|
230
|
202
|
19
|
7.63
|
|
25
|
45
|
50
|
104
|
45
|
74
|
149
|
271
|
249
|
23
|
13.25
|
|
35
|
50
|
57
|
111
|
50
|
83
|
171
|
305
|
269
|
26
|
18.53
|
|
42.5
|
57
|
65
|
134
|
57
|
95
|
190
|
345
|
301
|
29
|
25.94
|
|
55
|
65
|
70
|
145
|
65
|
105
|
203
|
376
|
330
|
32
|
35.33
|
|
85
|
75
|
83
|
163
|
75
|
127
|
229
|
427
|
380
|
39
|
52.97
|