Скоба усиленная Green Pin P-6036

Производитель:

Материал: скоба и винт изготовлены из легированной стали, Класс 8, с закалкой и отпуском.

Запас прочности: MBL равен 5 x WLL

Окончательная обработка: скоба окрашена в серебристый цвет, болт – зеленый. 120 тн скоба имеет цинковое покрытие.

Сертификаты: без предварительного запроса изделие сопровождается Рабочим сертификатом, Сертификатом на материал из которого изготовлено изделие, Тест-сертификатом производителя, Декларацией Соответствия ЕС и на все скобы, начиная с грузоподъемности 150 тн, выдается Сертификат Морского регистра Ллойда на испытательную нагрузку.

Замечание: +5% допустимые отклонения при ковке на ширину и длину изделия.

  • Скоба усиленная Green Pin P-6036 - Скобы
  • Скоба усиленная Green Pin P-6036 - Скобы
  • Скоба усиленная Green Pin P-6036 - Скобы

Производитель:

Материал: скоба и винт изготовлены из легированной стали, Класс 8, с закалкой и отпуском.

Запас прочности: MBL равен 5 x WLL

Окончательная обработка: скоба окрашена в серебристый цвет, болт – зеленый. 120 тн скоба имеет цинковое покрытие.

Сертификаты: без предварительного запроса изделие сопровождается Рабочим сертификатом, Сертификатом на материал из которого изготовлено изделие, Тест-сертификатом производителя, Декларацией Соответствия ЕС и на все скобы, начиная с грузоподъемности 150 тн, выдается Сертификат Морского регистра Ллойда на испытательную нагрузку.

Замечание: +5% допустимые отклонения при ковке на ширину и длину изделия.

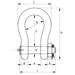
Предел. рабочая нагрузка
Диам. скобы
Диам. болта
Диам. отвер.
Ширина отвер.
Ширина внутр.
Длина внутр.
Ширина скобы
Длина
Длина болта
Ширина
Толщина гайки
Вес
 
тн
а
мм
b
мм
с
мм
d
мм
е
мм
f
мм
g
мм
h
мм
i
мм
j
мм
k
мм
 
кг
120
150
200
95
105
120
95
108
130
208
238
279
91
102
113
147
169
179
400
410
513
238
275
290
647
688
838
440
490
520
428
485
530
50
60
60
110
160
235
250
300
400
130
140
170
140
150
175
299
325
376
118
123
164
205
205
231
554
618
668
305
305
325
904
996
1114
560
575
690
565
585
665
65
70
70
285
340
560
500
600
700
180
200
210
185
205
215
398
444
454
164
189
204
256
282
308
718
718
718
350
375
400
1190
1243
1263
720
810
870
710
775
820
70
70
70
685
880
980
800
900
1000
210
220
240
220
230
240
464
485
515
204
215
215
308
328
349
718
718
718
400
420
420
1270
1296
1336
870
920
940
820
860
900
70
70
70
1100
1280
1460
1250
1500
260
280
270
290
585
625
230
230
369
369
768
818
450
450
1456
1556
1025
1025
970
1010
70
70
1990
2400



Другие товары в этой категории: