Скоба болтовая цепная Crosby G-2150/S-2150

Производитель:

Материал: Кованые, закаленные и отпущенные, со штифтами из сплава.

Стандарт: Соответствуют эксплуатационным требованиям Федеральной спецификации RR-C- 271D, тип IVВ, степень A, класс 3, кроме положений, касающихся подрядчика. Отвечают всем требованиям стандарта ASME B30.26 или превосходят их.

Конечная обработка: Оцинкованные горячим способом или непокрытые.

Сертификаты: Утверждение типового образца и сертификация проводятся в соответствии с процедурами № 1-1-17.7 правил устройства стальных сосудов 2006 г Американского бюро судоходства (АБС) и с руководством АБС по сертификации кранов. 3.1 Испытание на ударную вязкость по Шарпи и статистическое пробное испытание является стандартным только для указанных на с. 73 изделий грузоподъемностью 25 т, соответствующих стандартам DNV271 и EN13889. Необходимость сертификатов должна быть анализа материала указана при оформлении заказа.

Описание:

  • Предельная рабочая нагрузка маркирована на каждой скобе.
  • Рассчитываются на усталостную прочность (от 0,33 т до 55 т).
  • На скобах грузоподъемностью 25 т и более применяется технология RFID.
  • Дуги изделий от 2 т до 25 т имеют сертификат прохождения испытания на ударную вязкость по Шарпи с ударом не менее 42 Дж (31 фунто-фут) при -20 C (-4 F).
  • Изделия грузоподъемностью от 0,5 т до 25 т соответствуют эксплуатационным требованиям стандарта EN13889:2003
  • Скобы грузоподъемностью 55 метрических тонн и менее могут поставляться с сертификатами испытаний под нагрузкой на соответствие признанным стандартам Американского бюро судоходства (ABS), Норвежского морского регистра (DNV), Регистра Ллойда и др.
  • Скобы грузоподъемностью 85 метрических тонн и более могут поставляться:
        • с обработанным болтом и дугой
        • проверенными магнитно-порошковой дефектоскопией
        • с сертификатом химического
  • Якорные скобы Crosby G2130 грузоподъемностью 2 т до 25 т сертифицированы по правилам 2.7-1 DNV сертификации – морские контейнеры. Эти скобы Crosby проходят статистическое пробное испытание и испытание на ударную вязкость. Испытания проводятся компанией Crosby, по требованию предоставляется протокол испытания по форме 3.1.
  • Красный штифт (Red Pin®). . . является фирменным знаком качества Crosby.

  • Скоба болтовая цепная Crosby G-2150/S-2150 - Скобы
  • Скоба болтовая цепная Crosby G-2150/S-2150 - Скобы
  • Скоба болтовая цепная Crosby G-2150/S-2150 - Скобы

Производитель:

Материал: Кованые, закаленные и отпущенные, со штифтами из сплава.

Стандарт: Соответствуют эксплуатационным требованиям Федеральной спецификации RR-C- 271D, тип IVВ, степень A, класс 3, кроме положений, касающихся подрядчика. Отвечают всем требованиям стандарта ASME B30.26 или превосходят их.

Конечная обработка: Оцинкованные горячим способом или непокрытые.

Сертификаты: Утверждение типового образца и сертификация проводятся в соответствии с процедурами № 1-1-17.7 правил устройства стальных сосудов 2006 г Американского бюро судоходства (АБС) и с руководством АБС по сертификации кранов. 3.1 Испытание на ударную вязкость по Шарпи и статистическое пробное испытание является стандартным только для указанных на с. 73 изделий грузоподъемностью 25 т, соответствующих стандартам DNV271 и EN13889. Необходимость сертификатов должна быть анализа материала указана при оформлении заказа.

Описание:

  • Предельная рабочая нагрузка маркирована на каждой скобе.
  • Рассчитываются на усталостную прочность (от 0,33 т до 55 т).
  • На скобах грузоподъемностью 25 т и более применяется технология RFID.
  • Дуги изделий от 2 т до 25 т имеют сертификат прохождения испытания на ударную вязкость по Шарпи с ударом не менее 42 Дж (31 фунто-фут) при -20 C (-4 F).
  • Изделия грузоподъемностью от 0,5 т до 25 т соответствуют эксплуатационным требованиям стандарта EN13889:2003
  • Скобы грузоподъемностью 55 метрических тонн и менее могут поставляться с сертификатами испытаний под нагрузкой на соответствие признанным стандартам Американского бюро судоходства (ABS), Норвежского морского регистра (DNV), Регистра Ллойда и др.
  • Скобы грузоподъемностью 85 метрических тонн и более могут поставляться:
        • с обработанным болтом и дугой
        • проверенными магнитно-порошковой дефектоскопией
        • с сертификатом химического
  • Якорные скобы Crosby G2130 грузоподъемностью 2 т до 25 т сертифицированы по правилам 2.7-1 DNV сертификации – морские контейнеры. Эти скобы Crosby проходят статистическое пробное испытание и испытание на ударную вязкость. Испытания проводятся компанией Crosby, по требованию предоставляется протокол испытания по форме 3.1.
  • Красный штифт (Red Pin®). . . является фирменным знаком качества Crosby.

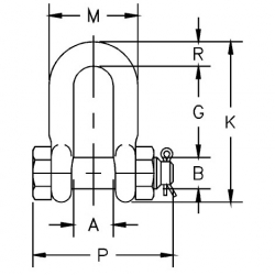
Номинал. размер
 
дюйм
Предел рабочей нагрузки
т *
Артикул №
Вес кажд.
 
кг
Размеры в мм
Допуск +/-
G-2150
S-2150
А
В
D
F
G
K
M
P
R
G
А
1 /4
1/2
1019768
-
0.06
11.9
7.85
6.35
15.5
19.1
40.4
24.6
39.6
6.35
1.50
1.50
5/16
3/4
1019770
-
0.10
13.5
9,65
7.85
19.1
25.4
43.5
29.5
46.2
7.85
1.50
1.50
3/8
1
1019772
-
0.15
16.8
11.2
9.65
23.1
31.0
58.5
35.8
55.0
9.65
3.30
1.50
7/16
1-1/2
1019774
-
0.22
19.1
12.7
11.2
26.9
36.1
67.5
41.1
63.5
11,2
3.30
1.50
1/2
2
1019775
1019784
0.34
20.6
16.0
12.7
30.2
41.4
77.0
46.0
71.0
12.7
3.30
1.50
5/8
3-1/4
1019793
1019800
0.67
26.9
19.1
16.0
38.1
51,0
95.5
58.5
89.5
16.0
3.30
1.50
3/4
4-3/4
1019819
1019828
1.14
31.8
22.4
19.1
46.0
60.5
115
70.0
103
20.6
6.35
1.50
7/8
6-1/2
1019837
1019846
1.74
36.6
25.4
22.4
53.0
71.5
135
81.0
120
24.6
6.35
1.50
1
8-1/2
1019855
1019864
2.52
42.9
28.7
25.4
60.5
81.0
151
93.5
135
25.4
6.35
1.50
1-1/8
9-1/2
1019873
1019882
3.45
46.0
31.3
28.7
68.5
91.0
172
103
150
31.8
6.35
1.50
1-1/4
12
1019891
1019908
4.90
51.5
35.1
31.8
76.0
100
191
115
165
35.1
6.35
1.50
1-3/8
13-1/2
1019917
1019926
6.24
57.0
38.1
35.1
84.0
111
210
127
183
38.1
6.35
3.30
1-1/2
17
1019935
1019944
8.39
60.5
41.4
33.1
92.0
122
230
137
196
41.1
6.35
3.30
1-3/4
25
1019953
1019962
14.2
73.0
51.0
44.5
106
146
279
162
230
54.0
6.35
3.30
2
35
1019971
1019980
21.2
82.5
57.0
51.0
122
172
312
184
264
60.1
6.35
3.30
2-1/2
55
1019999
1020004
38.6
105
70,0
66.5
145
203
377
233
344
66.5
6.35
6.35
3
85
1020013
-
56
127
82.5
76.0
165
216
429
279
419
89.0
6.35
6.35

* ПРИМЕЧАНИЕ. Максимальная испытательная нагрузка равна 2,0-кратной предельной рабочей нагрузке (ПРН). Минимальный предел прочности равен 6-кратной предельной рабочей нагрузке.
Пробное испытание каждого изделия с оформлением протокола.



Другие товары в этой категории: