Вертлюг с игольчатым подшипником ELD Excel (Кольцо-Кольцо) Класс 8

Производитель:

Материал: легированная сталь (класс 8) с закалкой и отпуском

Запас прочности: MBL равен 4 x WLL

Конечная обработка: окраска в красный цвет

Сертификаты: изделие сопровождается Рабочим Сертификатом, Сертификатом 3.1 и Сертификатом соответствия нормам EC

Замечание: оснащен двухигольчатым роликовым упорным подшипником

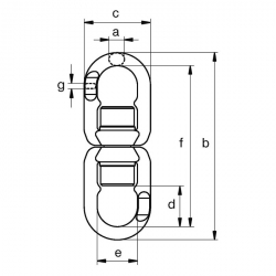
  • Вертлюг ELD Excel (Кольцо-Кольцо) Класс 8 - Шарниры (вертлюги)
  • Вертлюг ELD Excel (Кольцо-Кольцо) Класс 8 - Шарниры (вертлюги)

Производитель:

Материал: легированная сталь (класс 8) с закалкой и отпуском

Запас прочности: MBL равен 4 x WLL

Конечная обработка: окраска в красный цвет

Сертификаты: изделие сопровождается Рабочим Сертификатом, Сертификатом 3.1 и Сертификатом соответствия нормам EC

Замечание: оснащен двухигольчатым роликовым упорным подшипником

Номер изделия
Предел. рабочая нагрузка
Диаметр
Длина наружная
Ширина наружная
Длина внутренняя
Ширина внутренняя
Длина
Толщина
Вес одного изделия
 
 
т
a
мм
b
мм
c
мм
d
мм
e
мм
f
мм
g
мм
 
кг
ELR0R
1.12
11
140
52
33
29
118
6
0.36
ELR1R
2
12
150
56
32
31
126
6
0.58
ELR2R
3.2
14
185
66
39
37
155
8
1.05
ELR3R
5.4
18
228
80
46
48
195
11
1.86
ELR4R
8.2
21
270
99
60
56
227
14
3.1
ELR5R
12.8
24
331
121
67
72
280
17
6.45
ELR6R
15.5
28
379
134
87
81
328
22
7.74

 



Другие товары в этой категории: