Материал: Оцинкованные горячим способом, закаленные и отпущенные
Описание:
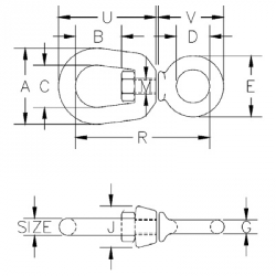
Изделия Crosby отвечают или превосходят все требования стандарта ASME B30.26, включая идентификацию, пластичность, расчетный коэффициент надежности, пробную нагрузку и рабочую температуру. Особое значение имеет то, что эти скобы отвечают другим критически важным эксплуатационным требованиям, включая усталостную долговечность, ударные характеристики и определение происхождения материала, не вошедшим в стандарт ASME B30.26.
Отвечают эксплуатационным требованиям Федеральной спецификации RR-C-271D, тип VII, класса 1, кроме положений, распространяющихся на подрядчика. Дополнительные сведения см. на с. 450.
Внимание: Шарниры 401 являются лишь средством размещения и не предназначаются для вращения под нагрузкой. При использовании в коррозийной среде гайка и стержень требуют инспекции в соответствии с требованиями ASME B30.10-1.10.4(b)(5)(c)2009.
Материал: Оцинкованные горячим способом, закаленные и отпущенные
Описание:
Изделия Crosby отвечают или превосходят все требования стандарта ASME B30.26, включая идентификацию, пластичность, расчетный коэффициент надежности, пробную нагрузку и рабочую температуру. Особое значение имеет то, что эти скобы отвечают другим критически важным эксплуатационным требованиям, включая усталостную долговечность, ударные характеристики и определение происхождения материала, не вошедшим в стандарт ASME B30.26.
Отвечают эксплуатационным требованиям Федеральной спецификации RR-C-271D, тип VII, класса 1, кроме положений, распространяющихся на подрядчика. Дополнительные сведения см. на с. 450.
Внимание: Шарниры 401 являются лишь средством размещения и не предназначаются для вращения под нагрузкой. При использовании в коррозийной среде гайка и стержень требуют инспекции в соответствии с требованиями ASME B30.10-1.10.4(b)(5)(c)2009.
|
Размер
мм
|
Артикул
|
Предел рабочей
нагрузки
т *
|
Вес
кажд.
кг
|
Размер в мм
|
||||||||||
|
А
|
В
|
С
|
D
|
Е
|
G
|
J
|
М
|
R
|
U
|
V
|
||||
|
6
|
1016233
|
0,39
|
0,06
|
31,8
|
17,5
|
19,1
|
15,7
|
28,4
|
6,35
|
17,5
|
7,85
|
57,0
|
42,9
|
31,8
|
|
8
|
1016251
|
0,57
|
0,11
|
41,4
|
20,6
|
25,4
|
19,1
|
35,1
|
7,85
|
20,6
|
9,65
|
69,0
|
52,5
|
37,3
|
|
10
|
1016279
|
1,02
|
0,24
|
51,0
|
23,9
|
31,8
|
25,4
|
44,5
|
9,65
|
25,4
|
12,7
|
87,5
|
63,5
|
47,8
|
|
13
|
1016297
|
1,63
|
0,51
|
63,5
|
33,3
|
38,1
|
31,8
|
57,0
|
12,7
|
33,3
|
16,0
|
108
|
81,0
|
62,0
|
|
16
|
1016313
|
2,36
|
0,95
|
76,2
|
39,6
|
44,5
|
38,1
|
70,0
|
15,8
|
38,1
|
19,1
|
130
|
98,5
|
74,5
|
|
19
|
1016331
|
3,27
|
1,40
|
89,0
|
44,5
|
51,0
|
44,5
|
82,5
|
19,1
|
47,8
|
22,4
|
147
|
125
|
88,0
|
* Допустимая нагрузка в 5 раз выше предела рабочей нагрузки.