Материал: Оцинкованные горячим способом, закаленные и отпущенные
Описание:
Изделия Crosby отвечают или превосходят все требования стандарта ASME B30.26, включая идентификацию, пластичность, расчетный коэффициент надежности, пробную нагрузку и рабочую температуру. Особое значение имеет то, что эти скобы отвечают другим критически важным эксплуатационным требованиям, включая усталостную долговечность, ударные характеристики и определение происхождения материала, не вошедшим в стандарт ASME B30.26.
Отвечают эксплуатационным требованиям Федеральной спецификации RR-C-271D, тип VII, класс 3, кроме положений, распространяющихся на подрядчика.
Патент США 5.381.650 и аналогичные патенты.
Внимание: Шарниры 401 являются лишь средством размещения и не предназначаются для вращения под нагрузкой. При использовании в коррозийной среде гайка и стержень требуют инспекции в соответствии с требованиями ASME B30.10-1.10.4(b)(5)(c)2009.
Материал: Оцинкованные горячим способом, закаленные и отпущенные
Описание:
Изделия Crosby отвечают или превосходят все требования стандарта ASME B30.26, включая идентификацию, пластичность, расчетный коэффициент надежности, пробную нагрузку и рабочую температуру. Особое значение имеет то, что эти скобы отвечают другим критически важным эксплуатационным требованиям, включая усталостную долговечность, ударные характеристики и определение происхождения материала, не вошедшим в стандарт ASME B30.26.
Отвечают эксплуатационным требованиям Федеральной спецификации RR-C-271D, тип VII, класс 3, кроме положений, распространяющихся на подрядчика.
Патент США 5.381.650 и аналогичные патенты.
Внимание: Шарниры 401 являются лишь средством размещения и не предназначаются для вращения под нагрузкой. При использовании в коррозийной среде гайка и стержень требуют инспекции в соответствии с требованиями ASME B30.10-1.10.4(b)(5)(c)2009.
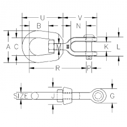
|
Размер
мм
|
Артикул
|
Предел рабочей нагрузки
т *
|
Вес кажд.
кг
|
Размеры в мм
|
||||||||||||
|
А
|
В
|
С
|
G
|
J
|
К
|
L
|
М
|
N
|
Р
|
R
|
U
|
V
|
||||
|
6
|
1016395
|
0,39
|
0,10
|
31,8
|
17,5
|
19,1
|
17,5
|
17,5
|
11,9
|
26,2
|
7,85
|
22,4
|
6,35
|
67,0
|
42,9
|
42,9
|
|
8
|
1016411
|
0,57
|
0,15
|
41,4
|
20,6
|
25,4
|
20,6
|
20,6
|
12,7
|
28,7
|
9,65
|
22,4
|
7,85
|
74,5
|
52,0
|
46,0
|
|
10
|
1016439
|
1,02
|
0,30
|
51,0
|
23,9
|
31,8
|
25,4
|
25,4
|
16,0
|
35,8
|
12,7
|
26,9
|
9,65
|
92,0
|
63,5
|
57,0
|
|
13
|
1016457
|
1,63
|
0,61
|
63,5
|
33,3
|
38,1
|
33,3
|
33,3
|
19,1
|
44,5
|
16,0
|
33,3
|
12,7
|
114
|
81,0
|
73,0
|
|
16
|
1016475
|
2,36
|
1,12
|
76,0
|
39,5
|
44,5
|
41,4
|
38,1
|
23,9
|
52,0
|
19,1
|
38,1
|
16,0
|
135
|
98,5
|
87,5
|
|
19
|
1016493
|
3,27
|
1,76
|
89,0
|
44,5
|
51,0
|
47,8
|
47,8
|
28,7
|
64,5
|
22,4
|
44,5
|
19,1
|
154
|
109
|
102
|
|
22
|
1016518
|
4,54
|
2,66
|
102
|
52,0
|
57,0
|
54,0
|
54,0
|
30,2
|
70,0
|
25,4
|
52,0
|
22,4
|
178
|
127
|
115
|
|
25
|
1016536
|
5,67
|
4,46
|
114
|
58,5
|
63,5
|
67,0
|
60,5
|
44,5
|
94,5
|
28,7
|
71,5
|
28,7
|
217
|
146
|
151
|
|
32
|
1016572
|
8,16
|
7,14
|
145
|
68,5
|
79,5
|
79,5
|
76,0
|
52,0
|
109
|
41,4
|
71,5
|
35,1
|
248
|
179
|
162
|
|
38
|
1016590
|
20,5
|
24,8
|
178
|
98,5
|
102
|
143
|
102
|
73,0
|
152
|
57,0
|
113
|
57,0
|
362
|
254
|
275
|
* Допустимая нагрузка в 5 раз выше предела рабочей нагрузки.