Лебедка ручная настенная Pfaff-Silberblau SW-W ALPHA

Производитель:

Грузоподъемность 300 - 1000 кг.

Эта легкая по весу, небольшая по габаритам и безопасная в эксплуатации лебедка настолько элегантно и продуманно сконструирована, что завоевала признание промышленных дизайнеров - на форуме промышленного дизайна в Ганновере эта модель была признана лучшей в своем классе. Преимущества и изящество ее сверхплоской конструкции Вы в полной мере оцените при эксплуатации.

Pfaff-silberblau SW-W ALPHA с прямозубой цилиндрической передачей подходит для грузов до 1000 кг, имеет небольшой собственный вес и крайне плоскую конструкцию. Она просто крепится на стене, отвод троса возможен в любую сторону.

Мы поставляем эту ручную лебёдку с гальванической оцинковкой, а по запросу и при соответствующем объёме партии – также из нержавеющей стали.

Особенности:

  • Компактность и удобство эксплуатации. Благодаря простоте и надежности конструкции, малому весу и габаритам эта модель очень удобна в применении.
  • Оптимальная эффективность управления. Отличный КПД благодаря прямозубой цилиндрической передаче.
  • Отвод троса. Отвод троса возможен в любую сторону.
  • Безопасность при работе. Рукоятка с грузоупорным тормозом обеспечивает надлежащую безопасность при работе с грузом.
  • Легкость монтажа. Легкий и быстрый монтаж лебедки на стене.
  • Долговечность. Все компоненты конструкции оцинкованы для защиты от коррозии.

  • Лебедка ручная настенная Pfaff-Silberblau SW-W ALPHA - Лебедки
  • Лебедка ручная настенная Pfaff-Silberblau SW-W ALPHA - Лебедки
  • Лебедка ручная настенная Pfaff-Silberblau SW-W ALPHA - Лебедки
  • Лебедка ручная настенная Pfaff-Silberblau SW-W ALPHA - Лебедки

Производитель:

Грузоподъемность 300 - 1000 кг.

Эта легкая по весу, небольшая по габаритам и безопасная в эксплуатации лебедка настолько элегантно и продуманно сконструирована, что завоевала признание промышленных дизайнеров - на форуме промышленного дизайна в Ганновере эта модель была признана лучшей в своем классе. Преимущества и изящество ее сверхплоской конструкции Вы в полной мере оцените при эксплуатации.

Pfaff-silberblau SW-W ALPHA с прямозубой цилиндрической передачей подходит для грузов до 1000 кг, имеет небольшой собственный вес и крайне плоскую конструкцию. Она просто крепится на стене, отвод троса возможен в любую сторону.

Мы поставляем эту ручную лебёдку с гальванической оцинковкой, а по запросу и при соответствующем объёме партии – также из нержавеющей стали.

Особенности:

  • Компактность и удобство эксплуатации. Благодаря простоте и надежности конструкции, малому весу и габаритам эта модель очень удобна в применении.
  • Оптимальная эффективность управления. Отличный КПД благодаря прямозубой цилиндрической передаче.
  • Отвод троса. Отвод троса возможен в любую сторону.
  • Безопасность при работе. Рукоятка с грузоупорным тормозом обеспечивает надлежащую безопасность при работе с грузом.
  • Легкость монтажа. Легкий и быстрый монтаж лебедки на стене.
  • Долговечность. Все компоненты конструкции оцинкованы для защиты от коррозии.

Модель ALPHA 300 ALPHA 500 ALPHA 750 ALPHA 1000
Артикул
030272006
030272005
030272002
030272001
Груз в положении 1, кг
300
500
750
1000
Груз в положении 2, кг
130
230
270
360
Диаметр барабана, мм
50
50
50
50
Диаметр каната, мм
5
6
7
7
Канатоемкость в положении 1, м
1,3
1
1
1
Общая трудоёмкость, м
28
20
26
26
Подъем за оборот, мм
57
55
45
45
Сила кривошипа, daN
13
17
17
18
Вес, кг
10
10
16
16
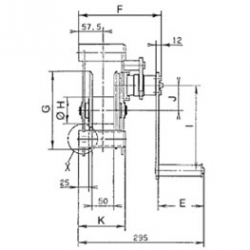
Размеры
A, мм
234
234
306
306
B, мм
262
262
337
337
C, мм
274
274
357
357
D, мм
203
203
265
265
E, мм
107
107
107
107
F, мм
194
194
194
194
G, мм
183
183
255
255
Диаметр H, мм
63
63
63.5
63.5
I, мм
200
250
250
320
J, мм
58,6
58,6
92.5
92.5
K, мм
109,5
109,5
107
107



Другие товары в этой категории: