Лебедка ручная консольная Pfaff-Silberblau SW-K GAMMA

Производитель:

Грузоподъемность 200 - 800 кг.

Pfaff-silberblau SW-K GAMMA - эта барабанная лебёдка с закрытым цепным приводом из алюминия наилучшим образом подходит для использования под открытым небом.

Лебёдки с тяговым усилием от 500 кг имеют дополнительный быстрый ход для наматывания и разматывания троса без груза.

Лебёдка допускает монтаж в любом положении, может удобно обслуживаться с обеих сторон и имеет съёмную вставную рукоятку. Пружинный стопор расположен внутри, и поэтому не требует техобслуживания.

В качестве опции для лебёдок на 800 кг может поставляться барабанная перемычка для эксплуатации с двумя тросами.

Особенности:

  • Повышенная скорость при подъеме легких грузов. Лебёдки с тяговым усилием от 500 кг имеют дополнительный быстрый ход для наматывания и разматывания троса без груза, либо подъема легкого груза.
  • Оптимальная эффективность управления. Отличный КПД благодаря прямозубой цилиндрической передаче.
  • Защита внутренней конструкции. Цепной привод выполнен в закрытом корпусе для защиты внутренних деталей.
  • Минимальный износ и легкость хода. В конструкции используется вал подшипников скольжения с низким коэффициентом трения для улучшенного отвода троса и увеличения эксплутационного срока лебедки.
  • Удобство эксплуатации. Лебедка имеет встроенный пружинный стопор, что не требует дополнительного техобслуживания; Имеет съёмную вставную рукоятку и может удобно обслуживаться с любой из сторон.
  • Легкость монтажа. Лебедка легко устанавливается в любом положении.

  • Лебедка ручная консольная Pfaff-Silberblau SW-K GAMMA - Лебедки
  • Лебедка ручная консольная Pfaff-Silberblau SW-K GAMMA - Лебедки
  • Лебедка ручная консольная Pfaff-Silberblau SW-K GAMMA - Лебедки
  • Лебедка ручная консольная Pfaff-Silberblau SW-K GAMMA - Лебедки

Производитель:

Грузоподъемность 200 - 800 кг.

Pfaff-silberblau SW-K GAMMA - эта барабанная лебёдка с закрытым цепным приводом из алюминия наилучшим образом подходит для использования под открытым небом.

Лебёдки с тяговым усилием от 500 кг имеют дополнительный быстрый ход для наматывания и разматывания троса без груза.

Лебёдка допускает монтаж в любом положении, может удобно обслуживаться с обеих сторон и имеет съёмную вставную рукоятку. Пружинный стопор расположен внутри, и поэтому не требует техобслуживания.

В качестве опции для лебёдок на 800 кг может поставляться барабанная перемычка для эксплуатации с двумя тросами.

Особенности:

  • Повышенная скорость при подъеме легких грузов. Лебёдки с тяговым усилием от 500 кг имеют дополнительный быстрый ход для наматывания и разматывания троса без груза, либо подъема легкого груза.
  • Оптимальная эффективность управления. Отличный КПД благодаря прямозубой цилиндрической передаче.
  • Защита внутренней конструкции. Цепной привод выполнен в закрытом корпусе для защиты внутренних деталей.
  • Минимальный износ и легкость хода. В конструкции используется вал подшипников скольжения с низким коэффициентом трения для улучшенного отвода троса и увеличения эксплутационного срока лебедки.
  • Удобство эксплуатации. Лебедка имеет встроенный пружинный стопор, что не требует дополнительного техобслуживания; Имеет съёмную вставную рукоятку и может удобно обслуживаться с любой из сторон.
  • Легкость монтажа. Лебедка легко устанавливается в любом положении.

Модель GAMMA 200 GAMMA 500 GAMMA 800
Артикул
040270004
040270001
040270006
Груз в положении 1, кг
200
500
800
Груз в положении 2, кг
110
200
350
Канатоёмкость в положении 1, м
3,6
4.2
5.3
Общая канатоёмкость, м
40
50
78
Диаметр каната, мм
4
6
7
Подъем за оборот, мм
195
60/400
36/280
Сила кривошипа, daN
19
12
18
Передаточное отношение
-
6.57:1
7.57:1
Вес, кг
6
14
16
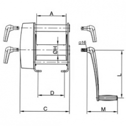
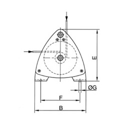
Размеры
A, мм
120
120
200
B, мм
160
220
326
C, мм
192
330
336
D, мм
152
100
180
E, мм
165
267
327
F, мм
135
125
250
Диаметр G, мм
9,5
11
14
Диаметр H, мм
50
60
70
L, мм
320
250
320
M, мм
207
165
207

* грузовой/быстрый ход



Другие товары в этой категории: