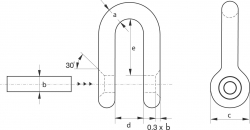
Скобы с фаской под сварку S-3557

Производитель:

Материал: высокопрочная сталь, нормированная, Класс 4
Конечная обработка: естественного цвета
Болт: закрепляется при сварке
Замечание: нестандартные размеры заказываются по запросу

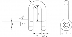
  • Скобы с фаской под сварку S-3557 - пустой
  • Скобы с фаской под сварку S-3557 - пустой

Производитель:

Материал: высокопрочная сталь, нормированная, Класс 4
Конечная обработка: естественного цвета
Болт: закрепляется при сварке
Замечание: нестандартные размеры заказываются по запросу

Диаметр скобы
Диаметр болта
Диаметр отверстия
Ширина внутренняя
Длина внутренняя
Вес одного изделия
a
мм
b
мм
c
мм
d
мм
e
мм
кг
13.5
16
19
16
19
22
34
40
47
21
27
30
49
61
67
0.3
0.6
0.9
22
28
25
32
53
67
33
42
73
91
1.3
2.7



Другие товары в этой категории: