Шарнир Green Pin G-7710 (Вилка-Вилка)

Производитель:

Материал: углеродистая сталь

Запас прочности: MBL равен 5 x WLL

Конечная обработка: окраска в синий цвет

Сертификаты: изделие сопровождается Сертификатом испытаний

  • Шарнир Green Pin G-7710 (Вилка-Вилка) - пустой
  • Шарнир Green Pin G-7710 (Вилка-Вилка) - пустой

Производитель:

Материал: углеродистая сталь

Запас прочности: MBL равен 5 x WLL

Конечная обработка: окраска в синий цвет

Сертификаты: изделие сопровождается Сертификатом испытаний

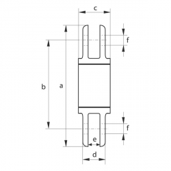
Предельная рабочая нагрузка
Длина
Длина
Диаметр
Ширина вилки наружная
Ширина вилки внутренняя
Диаметр отверстия
Вес одного изделия
 
тонн
a
мм
b
мм
c
мм
d
мм
e
мм
f
мм
 
кг
3
5
8.5
210
251
330
160
193
260
75
95
121
41
57
70
20
25
35
20
23
29
4.5
8.2
16.3
10
15
378
448
282
346
121
140
75
89
44
44
38
38
18.6
29



Другие товары в этой категории: