Домкрат шлюзовой SCH-W AZ«Pfaff Silberblau®» 1500кг – 10000кг (с реечным приводом)

Производитель:

Шлюзовые реечные домкраты серии SCH-W представляют собой оригинальную конструкцию, разработанную компанией Pfaff-Silberblau для шлюзовых ворот. Шлюзовые реечные домкраты предлагаются грузоподъемностью от 1500 до 10000 кг.

 

Шлюзовые ручные домкраты данной серии широко применяются при конструкции машин, механизмов и другого оборудования. Компанией Pfaff-Silberblau предусмотрены различные опции к реечным домкратам данной серии для удовлетворения индивидуальных требований заказчика.

 

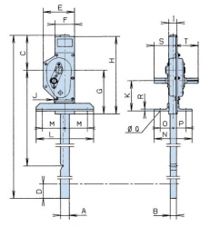
В таблице ниже приведены только избранные характеристики реечных домкратов серии SCH-W. Для более подробного ознакомления со всеми техническими характеристиками а также габаритными размерами реечных домкратов серии SCH-W, пожалуйста, обратитесь к прилагаемому каталогу или звоните нам в любое удобное для Вас время.  

  • Домкрат шлюзовой SCH-W AZ«Pfaff Silberblau®» 1500кг – 10000кг (с реечным приводом) - Стальные и реечные домкраты
  • Домкрат шлюзовой SCH-W AZ«Pfaff Silberblau®» 1500кг – 10000кг (с реечным приводом) - Стальные и реечные домкраты
  • Домкрат шлюзовой SCH-W AZ«Pfaff Silberblau®» 1500кг – 10000кг (с реечным приводом) - Стальные и реечные домкраты
  • Домкрат шлюзовой SCH-W AZ«Pfaff Silberblau®» 1500кг – 10000кг (с реечным приводом) - Стальные и реечные домкраты

Производитель:

Шлюзовые реечные домкраты серии SCH-W представляют собой оригинальную конструкцию, разработанную компанией Pfaff-Silberblau для шлюзовых ворот. Шлюзовые реечные домкраты предлагаются грузоподъемностью от 1500 до 10000 кг.

 

Шлюзовые ручные домкраты данной серии широко применяются при конструкции машин, механизмов и другого оборудования. Компанией Pfaff-Silberblau предусмотрены различные опции к реечным домкратам данной серии для удовлетворения индивидуальных требований заказчика.

 

В таблице ниже приведены только избранные характеристики реечных домкратов серии SCH-W. Для более подробного ознакомления со всеми техническими характеристиками а также габаритными размерами реечных домкратов серии SCH-W, пожалуйста, обратитесь к прилагаемому каталогу или звоните нам в любое удобное для Вас время.  

Артикул реечные домкрата
30029130
30030139
30031135
30030218
Тип ручки
Sifeku
Sifeku
Sifeku
Sifeku
Грузоподъёмность, т
1.5
3
5
10
Давление, т
1
2
3
6
Длина рейки, мм
1200
1250
1350
1550
Подъем домкрата, мм
800
800
900
1000
Вес реечная домкрата, кг
18
25
32
56

 



Другие товары в этой категории: