Гидроцилиндр низкий Yale YLS с пружинным возвратом

Производитель:

Низкие цилиндры гидравлические односторонние с пружинным возвратом от 10 до 100 тонн.

Усилие: 100 - 1000 кН

Рабочее давление: 700 бар

Kомпактные гидроцилиндры с низкой конструктивной высотой для подъёма тяжёлых грузов или рихтовки в ограниченном пространстве.

  • Гидроцилиндр низкий Yale YLS с пружинным возвратом - Гидроцилиндры одностороннего действия
  • Гидроцилиндр низкий Yale YLS с пружинным возвратом - Гидроцилиндры одностороннего действия
  • Гидроцилиндр низкий Yale YLS с пружинным возвратом - Гидроцилиндры одностороннего действия

Производитель:

Низкие цилиндры гидравлические односторонние с пружинным возвратом от 10 до 100 тонн.

Усилие: 100 - 1000 кН

Рабочее давление: 700 бар

Kомпактные гидроцилиндры с низкой конструктивной высотой для подъёма тяжёлых грузов или рихтовки в ограниченном пространстве.

Класс по г/п
тонн
Тип
Артикул
4025092*
Сила домкрата
кН
Ход штока
мм
Площадь
см2
Макс. объем топлива
см3
Констр. высота
мм
Диам.
цилиндра
мм
Вес
кг
10
YLS-10/35
*150804
100
35
14.3 51
86
70 2.5
20 YLS-20/45 *150811 200 45 28.6 128 100 85 4.0
30 YLS-30/60 *150828 300 60 42.9 266 120 100 6.5
50 YLS-50/60 *150835 500 60 71.5 426 122 125 10.4
100 YLS-100/55 *150842 1000 55 143.0 788 141 170 24.0

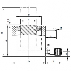
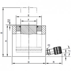
Тип
A
мм
B
мм
D
мм
D1
мм
E
мм
F
мм
H
мм
M
мм
Q
мм
R
мм
S
мм
Z
°
YLS-10/35 86 121 70 - 43 38 16 - - 54 - 10
YLS-20/45 100 145 85 - 60 50 17 - - 54 - 10
YLS-30/60 120 180 100 - 75 57 19 - - 54 - 5
YLS-50/60 122 182 125 - 95 75 19 - - 54 - 5
YLS-100/55 141 196 170 - 135 120 26 148 - 54 25 -



Другие товары в этой категории: