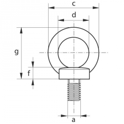
Рым-болт Green Pin S-8140/E-8140 соответствует DIN 580

Производитель:

Материал: Углеродистая сталь, C15.

Запас прочности: MBL равен 6 x WILL.

Стандарт: Соответствует DIN 580.

Обработка поверхности: Электро-гальваническое покрытие или окраска.

Сертификация: Bзделие сопровождается Сертификатами.

  • Рым-болт Green Pin S-8140/E-8140 DIN 580 - Рым-болты
  • Рым-болт Green Pin S-8140/E-8140 DIN 580 - Рым-болты
  • Рым-болт Green Pin S-8140/E-8140 DIN 580 - Рым-болты

Производитель:

Материал: Углеродистая сталь, C15.

Запас прочности: MBL равен 6 x WILL.

Стандарт: Соответствует DIN 580.

Обработка поверхности: Электро-гальваническое покрытие или окраска.

Сертификация: Bзделие сопровождается Сертификатами.

Предельная рабочая нагрузка
Диаметр резьбы
Диаметр основания
Наружный диаметр кольца
Внутренний диаметр кольца
Длина
Толщина основы
Высота
Вес
100 шт.
 
тонн
a
мм
b
мм
c
мм
d
мм
e
мм
f
мм
g
мм
 
кг
0.07
0.14
0.23
M 6 x 1.00
M 8 x 1.25
M 10 x 1.50
20
20
25
36
36
45
20
20
25
13
13
17
6
6
8
36
36
45
3
6
10.3
0.34
0.49
0.7
M 12 x 1.74
M 14 x 2.00
M 16 x 2.00
30
35
35
54
63
63
30
35
35
20.5
27
27
10
12
12
53
60
62
17.7
27.7
28
0.9
1.2
1.5
M 18 x 2.50
M 20 x 2.50
M 22 x 2.50
40
40
45
72
72
81
40
40
45
30
30
35
14
14
14
71
71
80
40.5
42.4
67.3
1.8
2.5
3.2
M 24 x 3.00
M 27 x 3.00
M 30 x 3.50
50
50
65
90
90
108
50
50
60
36
36
45
18
18
22
90
90
109
83.4
122
166
4.3
4.6
6.1
M 33 x 3.50
M 36 x 4.00
M 39 x 4.00
65
75
75
108
126
126
60
70
70
45
54
54
22
26
26
110
128
130
216
265
334
6.3
8
8.6
M 42 x 4.50
M 45 x 4.50
M 48 x 5.00
85
85
100
144
144
166
80
80
90
63
63
68
30
35
35
147
150
168
403
521
632
11.5
16
21
M 56 x 5.50
M 64 x 6.00
M 72 x 6.00
110
120
150
184
206
260
100
110
140
78
90
100
38
42
50
187
208
260
880
1240
2330
28
40
M 80 x 6.00
M 100 x 6.00
170
190
296
330
160
180
112
130
55
60
298
330
3420
4910



Другие товары в этой категории: