Грузовая петля приварная PAS Excel
Производитель:
- Материал: основа: мягкая сталь,
кольцо: легированная сталь (класс 8) с закалкой и отпуском
- Запас прочности: MBL равен 4 x WLL
- Конечная обработка: окраска в красный цвет
- Сертификаты: изделие сопровождается Рабочим Сертификатом, Сертификатом 3.1 и Сертификатом соответствия нормам EC
- Примечание: сварка должна быть выполнена в соответствии с DIN 5817 пункт 15429, квалифицированным сварщиком в соответствии с EN 287-1
Производитель:
- Материал: основа: мягкая сталь,
кольцо: легированная сталь (класс 8) с закалкой и отпуском
- Запас прочности: MBL равен 4 x WLL
- Конечная обработка: окраска в красный цвет
- Сертификаты: изделие сопровождается Рабочим Сертификатом, Сертификатом 3.1 и Сертификатом соответствия нормам EC
- Примечание: сварка должна быть выполнена в соответствии с DIN 5817 пункт 15429, квалифицированным сварщиком в соответствии с EN 287-1
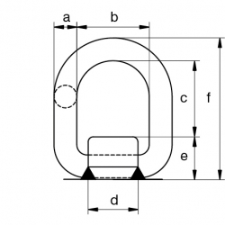
| Артикул |
Рабочая нагрузка |
Диаметр |
Ширина внутренняя |
Длина внутренняя |
Длина основы |
Высота основы |
Длина |
Вес, одного изделия |
| |
t |
a
mm |
b
mm |
c
mm |
d
mm |
e
mm |
f
mm |
кг |
| PAS1 |
1,2 |
13 |
40 |
42 |
35 |
28 |
84 |
0.4 |
| PAS3 |
3,2 |
18 |
45 |
48 |
42 |
33 |
101 |
0.77 |
| PAS5 |
5,3 |
22 |
55 |
57 |
49 |
44 |
123 |
1.42 |
| PAS8 |
8 |
26 |
70 |
67 |
64 |
51 |
145 |
2.5 |
| PAS12 |
12,8 |
28 |
85 |
90 |
78 |
55 |
173 |
3.7 |
| PAS15 |
15 |
34 |
99 |
93 |
90 |
63 |
191 |
5.67 |
Другие товары в этой категории: