Захват для рельс Yale Tigrip TCR с замыкающим арретиром

Производитель:

Грузоподъемность 1000 - 2000 кг

Захват модели Tigrip TCR перемещает железнодорожные и трамвайные рельсы типа S45 и/или S49, или аналогичные им.

Безопасный захват обеспечивается запором, управляемым специальным рычагом.

При работе с длинными рельсами для избежания прогиба необходимо использовать два захвата, совмещенных с балкой.

При начальном подъеме груза зажим должен оставаться в вертикальном положении.

Нестандартные исполнения, в том числе многорельсовые захваты, возможны под заказ.

  • Захват для рельс Yale Tigrip TCR с замыкающим арретиром - Специальные захваты
  • Захват для рельс Yale Tigrip TCR с замыкающим арретиром - Специальные захваты
  • Захват для рельс Yale Tigrip TCR с замыкающим арретиром - Специальные захваты
  • Захват для рельс Yale Tigrip TCR с замыкающим арретиром - Специальные захваты

Производитель:

Грузоподъемность 1000 - 2000 кг

Захват модели Tigrip TCR перемещает железнодорожные и трамвайные рельсы типа S45 и/или S49, или аналогичные им.

Безопасный захват обеспечивается запором, управляемым специальным рычагом.

При работе с длинными рельсами для избежания прогиба необходимо использовать два захвата, совмещенных с балкой.

При начальном подъеме груза зажим должен оставаться в вертикальном положении.

Нестандартные исполнения, в том числе многорельсовые захваты, возможны под заказ.

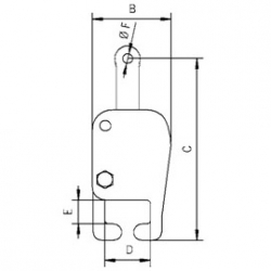
Тип № EAN
4025092*
Г/п
кг
Вес
кг
A
мм
B
мм
C
мм
D
мм
E
мм
Ø F
мм
G
мм
TCR 1.0 *550802 1000 12.4 144 152 350 90 46 20 25
TCR 2.0 *551076 2000 13.9 144 163 350 90 46 20 25



Другие товары в этой категории: