Производитель:
Грузоподъемность 750 – 3750 кг
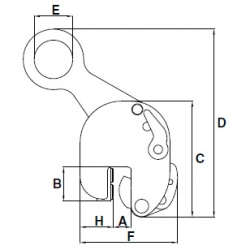
Зажим IPBKZ используется для подъема, передачи и складывания I-балок. Крюк захвата расположен так чтобы учитывать размещение балки только вертикально. Эта серия зажимов может использоваться как в вертикальном, так и в горизонтальном положении. Используется для различных типов конструкций – I-балки, углы, и т.д., в зависимости от желаемого применения.
- Продукция изготовлена из сварного сплава металла для большей прочности и меньшего размера. При необходимости, могут использоваться для компонентов кованный сплав.
- Каждый продукт проходит двойное Индивидуальное тестирование на WLL (предельную рабочую нагрузку), что удостоверяется Свидетельством.
- Название (CrosbyIP), логотип, WLL и открытие челюсти - всегда отпечатывается на продукте.
- Каждый продукт имеет индивидуальный серийный номер и дату теста проверки грузоподъемности, отпечатанной на металле. Регистрационный номер включен в свидетельство об испытании, сертификат техобслуживания и гарантийный журнал.
- Дополнительно используется IP 5000, что дает легкую связь между крюком подъема и захватом.
- Минимальный WLL – 10% от максимального WLL.
- Соответствует ISO 9001.
Производитель:
Грузоподъемность 750 – 3750 кг
Зажим IPBKZ используется для подъема, передачи и складывания I-балок. Крюк захвата расположен так чтобы учитывать размещение балки только вертикально. Эта серия зажимов может использоваться как в вертикальном, так и в горизонтальном положении. Используется для различных типов конструкций – I-балки, углы, и т.д., в зависимости от желаемого применения.
- Продукция изготовлена из сварного сплава металла для большей прочности и меньшего размера. При необходимости, могут использоваться для компонентов кованный сплав.
- Каждый продукт проходит двойное Индивидуальное тестирование на WLL (предельную рабочую нагрузку), что удостоверяется Свидетельством.
- Название (CrosbyIP), логотип, WLL и открытие челюсти - всегда отпечатывается на продукте.
- Каждый продукт имеет индивидуальный серийный номер и дату теста проверки грузоподъемности, отпечатанной на металле. Регистрационный номер включен в свидетельство об испытании, сертификат техобслуживания и гарантийный журнал.
- Дополнительно используется IP 5000, что дает легкую связь между крюком подъема и захватом.
- Минимальный WLL – 10% от максимального WLL.
- Соответствует ISO 9001.