Грузоподъемность 15-60 кг.
Грузоподъемность 15-60 кг.
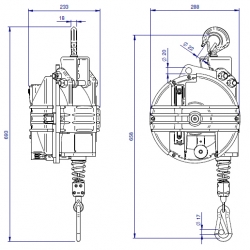
| Модель | Грузоподъемность мм |
Величина хода мм |
Диаметр троса мм |
Вес изделия кг |
Размер упаковки мм |
| 9401G | 15,0 - 20,0 | 2500 | 5 | 20,75 | 600х320х330 |
| 9402G | 20,0 - 30,0 | 2500 | 5 | 22,19 | 600х320х330 |
| 9403G | 30,0 - 40,0 | 2500 | 5 | 22,19 | 600х320х330 |
| 9404G | 40,0 - 50,0 | 2500 | 5 | 23,12 | 600х320х330 |
| 9405G | 50,0 - 60,0 | 2500 | 5 | 24,15 | 600х320х330 |
| 9431G | 15,0 - 20,0 | 3000 | 5 | 20,75 | 600х320х330 |
| 9432G | 20,0 - 25,0 | 3000 | 5 | 20,75 | 600х320х330 |
| 9433G | 25,0 - 35,0 | 3000 | 5 | 22,19 | 600х320х330 |
Опция В: Устройство закрывания и открывания с контролем от пола.
Опция RI: Вращательное и изоляционное устройство.